izolační podložka pod bočník 1pár

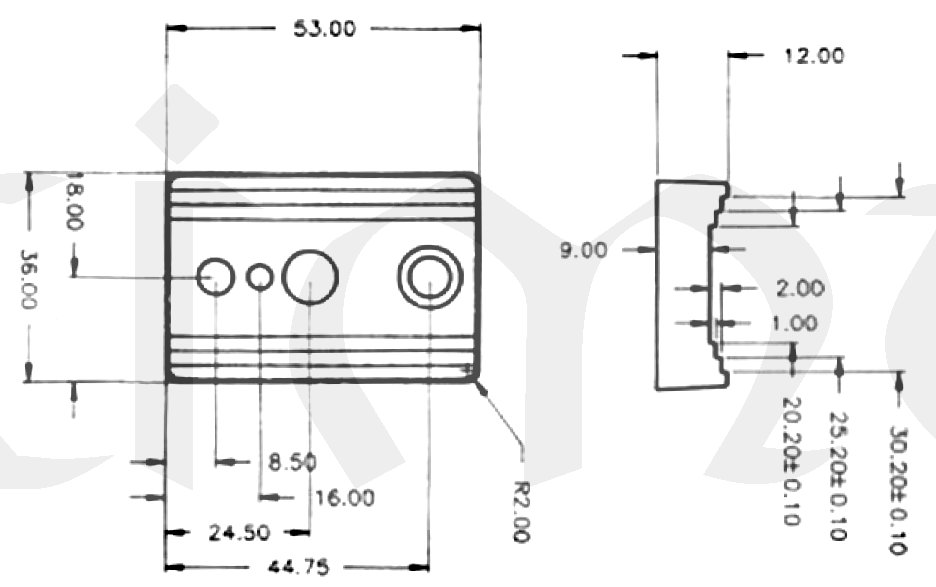
Izolační podložka pro montáž bočníku na rovnou podložku
- k bočníku je plastová podložka připevněna šrouby ze spodní strany
cena je za pár tzn.dva kusy položek
Rozměry: 35,5 x 52,5 x 12 mm (š x d x v)
drážky (odsazení pro usazení bočníků šířky 20; 25 a 30mm)

Parametry výrobku:

Ke stažení: Bocniky_EXIMUS.pdf
Cena: Na dotaz!
Do košíku

Id: 15389,   ID_Pohoda : E5937,