Proudový transformátor pro měření stejnosměrných i střídavých primárních proudů v rozsahu 0 až 300 A. Vhodné pro měření nesinusových a zkreslených elektrických sítí nebo jako měřicí převodník pro přímé zapojení do vstupů PLC.
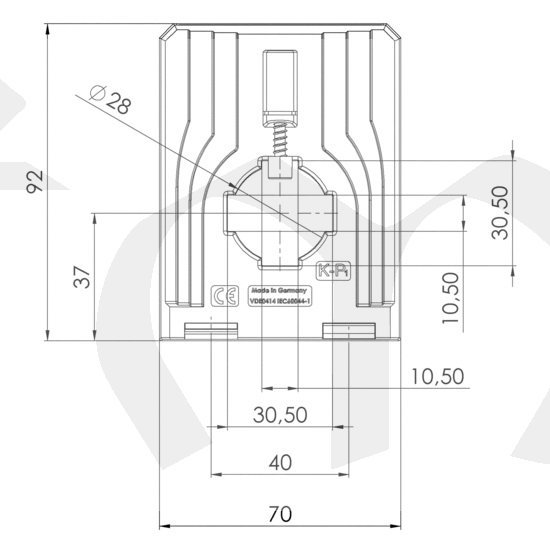
Uchycení transformátoru je možné provést pomocí upevňovacích patek, které jsou součástí dodávky, nebo speciální příchytkou na normalizovanou lištu DIN 35mm.
Pro upevnění primárních vodičů nebo pasů je možno použít rychloupínací příchytku CTB na objednávku.
Obecné vlastnosti:
- Primární jm. proud: 0...150 A AC/DC
- Primární vodič průměr: max 28 mm
- Primární pas: 30 x 10 mm
- Kmitočtový rozsah: DC, resp. AC 20Hz - 6kHz, faktor výkyvu ≤ 4 (crest factor)
- Proudový výstup: 4...20mA DC, RMS
- Max. odpor zátěže proudového výstupu: RB ≤ 500 ohm (UH = 24 V DC)
- Omezení výstupního signálu při přetížení: < 25mA
- Přesnost: ± 1%
- Max. provozní napětí Um: 0,72 kV, Ueff
- Zkušební izolační napětí: 6,4 kV, Ueff, 50 Hz, 5 sek.
- Pomocné napětí: 24 V DC, ± 15 %, < 70 mA
- Doba odezvy (90% IPN, di/dt = 100 A / us): ≤ 200 ms (typ. 150 ms)
- Rychlost nárustu signálu di/dt: < 100 A / µs
- Třída izolace: E
- Stupeň krytí: IP 20
- Max. teplota primárního vodiče: 100°C
- Rozsah provozních teplot: -25°C až +60°C; vlhkost 0...95%
- Rozsah skladovacích teplot: -40°C až +90°C
